您好,欢迎访问标签飞达,标签供料器,FEEDER供料器,贴标飞达,标签送料器,广州市飞得智能设备开发有限公司!
收藏本站
在线留言
联系我们
联系电话(微信同号)
19124353841
网站首页
关于我们
关于我们
联系我们
产品展示
标签飞达供料器
飞达组件
新闻资讯
公司新闻
行业动态
媒体报导
解决方案
标签飞达生产调试常见问题
标签飞达功能特点&使用维护注意事项
标签飞达离型底膜/纸基本要求
标签飞达上位机接线图
标签飞达型号说明
视频展示
在线留言
联系我们
关于我们
联系我们
分类栏目
标签飞达供料器
飞达组件
推荐产品
后撤式标签飞达单收料系列
双层标签供料器前推系列
上立式双收料剥标机前推系列
上立式单收料飞达供料器前推系列
联系我们
邮箱:
171459891@qq.com
电话:
19124353841
地址:
广州市黄埔区茅岗路828号大院12号楼307房
当前位置:
主页
>
产品展示
>
飞达组件
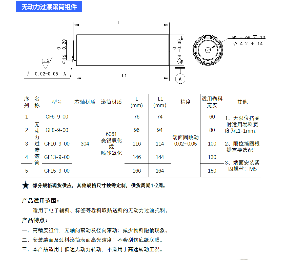
> 无动力过渡滚筒组件
飞达组件
无动力过渡滚筒组件
产品描述:
无动力过渡滚筒组件
服务热线:19124353841
立即咨询
产品介绍
分享到:
上一篇:
暂无
下一篇:
机械手胀轴组件
更多>>
推荐新闻
2022-01-07
网站上线
版权所有:广州市飞得智能设备开发有限公司
电脑版
|
手机版
备案号:
粤ICP备2021017808号
19124353841
微信号:19124353841
微信二维码